はじめに
のびた印刷が製作した図面データの一部を公開・共有します。
図面の元になった製品は、BASEで販売中です!
商用利用も、もちろん可能です。図面をそのまま、図面として販売はしないでください。
このページに乗っけてもいいよ!っていうデータがあったらご連絡ください!!!
随時更新していきます。
VSRシリーズ
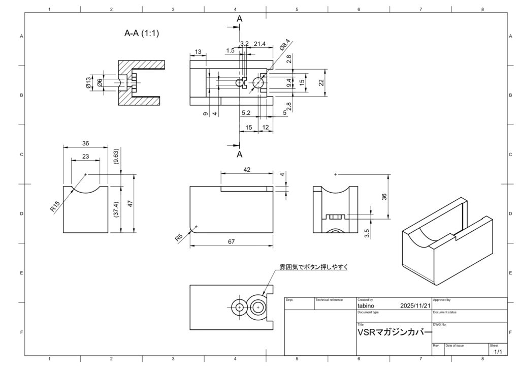
マガジンブロックカバー
概要:このカバーだけで、マガジンを保持・着脱できるようになります。

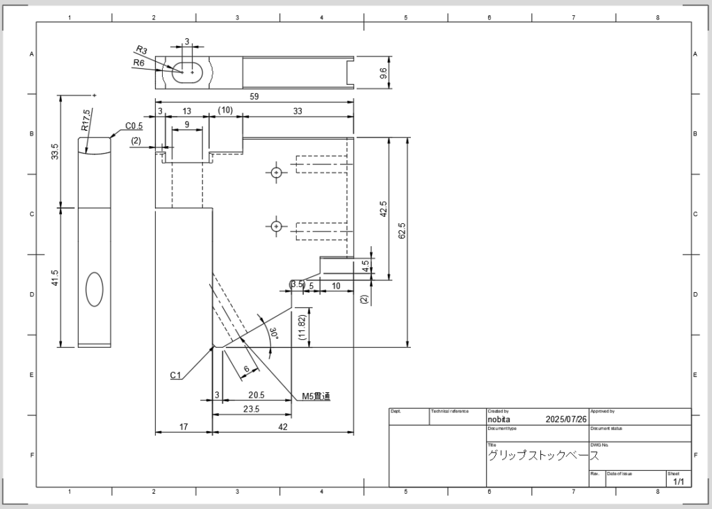
グリップベース
概要:これでM4実(ガス)用グリップが付けられるようになります。
寸法の入っていない穴などは、のびたライフル用なので必要ありません。

おわりに
がんがん使って・共有して時短してください!
筆者について
筆者 のびた
3DPなどを使って創作活動をしています。
BASEで販売をしています。
ツイッターはこちら



コメント